
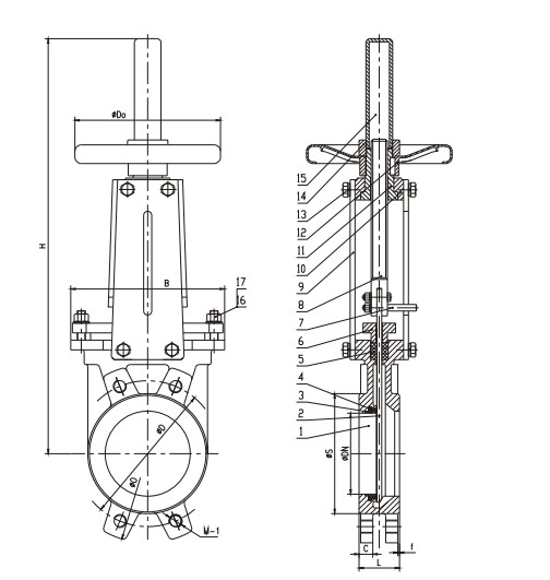
【对夹式刀型闸阀】产品主要特点
1.超短结构长度,节省材料,可使管路系统整体重量大大减轻。
2.占用空间小,能支持管道的强度,可减少管道振动的可能性。
3.闸板选用奥氏体不锈钢,耐腐性能大大提高,可的防止由于闸板腐蚀引起的密封泻漏。
4.上密封填料采用柔性 PTFE ,密封可靠、操作轻便灵活。
5.闸板具有闸刀的功能,能的闸断介质中各类杂物。


所属分类:刀型闸阀

【对夹式刀型闸阀】产品主要特点
1.超短结构长度,节省材料,可使管路系统整体重量大大减轻。
2.占用空间小,能支持管道的强度,可减少管道振动的可能性。
3.闸板选用奥氏体不锈钢,耐腐性能大大提高,可的防止由于闸板腐蚀引起的密封泻漏。
4.上密封填料采用柔性 PTFE ,密封可靠、操作轻便灵活。
5.闸板具有闸刀的功能,能的闸断介质中各类杂物。

